38kV H type VCB Issue - Does not trip remotely, Spring is not charging.

38kV H type VCB Issue - Does not trip remotely, Spring is not charging.






















Product Name: UVH-38H32E12 M5C5T5SC2U0 – A8 EXPS
Site Address: Voltagrid – 14720 Omicron Dr, San Antonio, TX 78245
Date Visited: November 15, 2025
Customer Reported Issue: The customer reported that the breaker does not close, and the closing spring is not charging.


Initial Condition / Inspection
1. Operating control power to the breaker
2. Truck position: TEST position
3. Breaker indicators: OPEN / Charged
The breaker does not close electrically (remote close) using the switch lever on the switchgear panel above the VCB, even though operating power is supplied.

Investigation
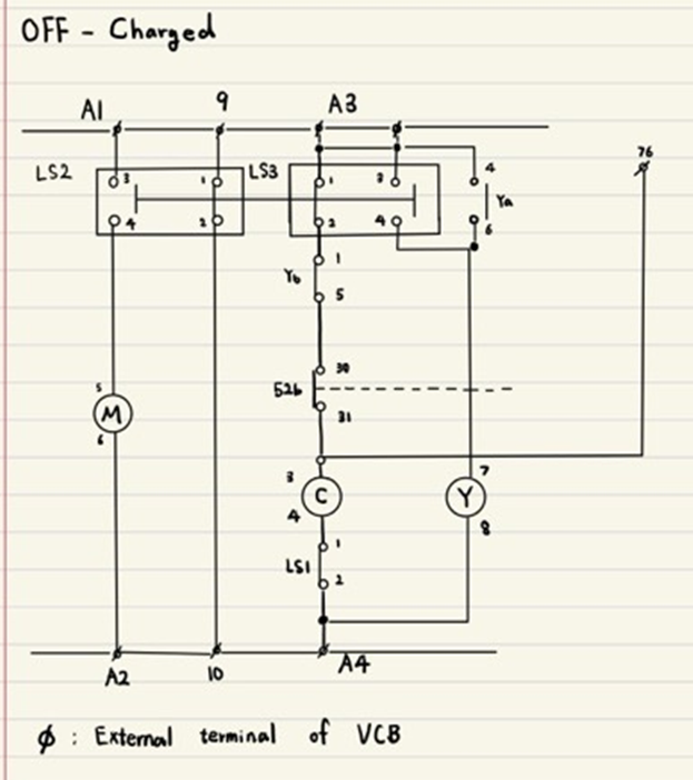
When the breaker is OPEN with the spring CHARGED, the A3–A4 circuit should be closed per the electrical diagram. A continuity test using a multimeter (audible beep) was required to verify this condition.

Two test points were checked:
      1. A3–A4 at the male pin connector (front top)
      Purpose: Verify wiring condition and ensure no short circuit in the cable

            






























      2. A3–A4 at the female pin connector (right top of the breaker)
      Purpose: Verify that the auto-connector circuit is properly closed

Result
The female pin connectorA3–A4 failed the continuity test.

Root Cause
After drawing out the breaker and performing a visual inspection, it was found that the auto-connector (auto-con) was not fully seated. (Reference photo attached.)

      























Corrective Action
Return the auto-connector to its initial (properly seated) position.
As some sites do not have a lifter available, the following alternative method was used:
      1. Move the breaker to the DISCONNECTED position
      2. Use a hook-type tool (e.g., crowbar with hook tip) to properly seat the auto-connector
      3. Ensure the connector is fully engaged
Perform one full draw-in / draw-out cycle

Result After Correction
Spring charging motor operated normally
Breaker closed and opened remotely (electrically) as expected
All functions restored and operating normally

Conclusion
The issue was caused by an improperly seated auto-connector, preventing continuity in the A3–A4 circuit. After reseating the connector and cycling the breaker, normal operation was confirmed.