Mounting Holes and Hardware for Susol MCCBS

Mounting Holes and Hardware for Susol MCCBS

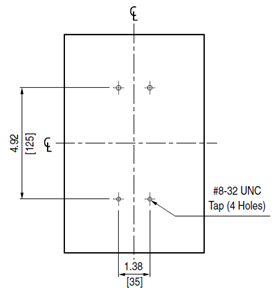
Refer to the below drawings for assistance tapping the mounting holes for the UTE100, UTS150, UTS250, UTS400, UTS600, UTS800, and UTS1200 MCCBs.

Info
Screw thread size and length are underlined.
UTE100

2 QTY - SCREW,(+)PH,No .6-32UNC,L70,SWCH,Ep-Fe/Zn 3/CM2


UTS150/250

4 QTY -SCREW,(+)PH,S/W,NO. 8-32 UNC-2A, L82,SWCH,EP-FE/ZN 3/CM2


  UTS400/600

4 QTY - SCREW,(+)PH,P.S/W,NO. 10-24 UNC-2A, L90,SWCH,EP-FE/ZN 3/CM2


UTS800/1200

4 QTY - SCREW,(+)PH,P.S/W,NO. 10-24 UNC-2A, L110,SWCH,Ep-Fe/Zn 3/CM2